Sikkerhed ombord: Derfor bør du have en automatisk hovedafbryder
Ved du hvor du kan finde, og hvordan du kan slukke for hovedafbryderen ombord på din båd i en nødsituation?
Mange bådejere bruger ikke tid på at læse vejledninger og instruktioner til deres bådudstyr. Noget af det vigtigste sikkerhedsudstyr, som anvendes på thrustersystemer ombord på en båd, er en afbryder. Elektriske thrustere skal altid have en sikring og en afbryder i hovedstrømforsyningskredsløbet.
Find hovedafbryderen
I tilfælde af et abnormt strømforbrug, bør sikringen springe. Dog kan der opstå situationer, hvor den ikke gør det, hvilket gør det nødvendigt at slukke for strømforsyningen til thrusteren manuelt for at sikre, at alle er i sikkerhed, og at båden er sikker.
Det kan dog være problematisk at slukke for den. En båds hovedafbryder er i de fleste tilfælde placeret enten i bunden, i teknikrummet eller i motorrummet. Det betyder, at du er nødt til at forlade roret for at kunne slukke for den.
Selv både med fjernstyrede afbrydere kan være problematiske at håndtere. Disse afbrydere understøtter ofte mere end bare thrusteren, hvilket resulterer i nedlukning af andre systemer, som du måske har brug for til at betjene båden.
Den logiske løsning
Bådejere tager sig ikke altid tid til at læse vejledninger og lære om deres bådudstyr, hvilket gør det svært at vide hvad man skal slukke for, når der opstår et problem. Og derfor er en automatisk hovedafbryder praktisk. Du kan hurtigt slukke for kredsløbet uden at forlade roret ved blot at trykke på slukknappen på kontrolpanelet. En åbenlys reaktion i tilfælde af problemer, selv for personer, der ikke er bekendte med båden og udstyret ombord.

Automatisk deaktiveringsfunktion
Du kan sikkert forholde dig til det, når jeg siger, at mange plejer at glemme at slukke for hovedafbryderne, når de forlader deres båd. Sleipner-kontrolpanelet fås med en automatisk deaktiveringsfunktion, hvilket får dette problem til at forsvinde helt.
For at overholde lovgivningen har den automatiske hovedafbryder en ekstra mekanisk deaktiveringsfunktion på hovedafbryderen. Det er en sikkerhedsfunktion i tilfælde af en fejl på afbryderen. Den praktiske brug ændres dog ikke, da du lader den mekaniske tilsidesættelse være tændt. Tilsidesættelsen bør kun bruges i nødsituationer, hvis den automatiske hovedafbryder ikke virker efter hensigten (hvilket er nærmest umuligt, da standard er slukket), men reglerne skal overholdes.
En anden fordel med den automatiske hovedafbryder fra Sleipner er, at det er den samme uanset spændingen. Det gør ingen forskel, om du monterer en thruster på 30 kg eller 210 kg – du skal bare sørge for at få den rigtige spænding til thrusteren og bruge den rigtige sikring i afbryderen.
Fordele ved en automatisk hovedafbryder
- Man tænder og slukker for hovedafbryderen på thrusterens kontrolpanel
- Der er ingen strømforsyning til thrusterens elmotor og relæer, før kontrolpanelet aktiveres. Den slukkes automatisk med den automatisk deaktiveringsfunktion i kontrolpanelet, hvis du skulle glemme det
- Nem at installere. Du skal kun montere én komponent i stedet for en særskilt hovedafbryder og sikring med sammenkædende strømkabler
- Kabeltilslutningerne kan dimensioneres til dobbelte kablet, hvis det er påkrævet.
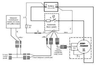
- Plug-and-go-kontrolkabler (se diagrammet herunder)

Af hensyn til en optimal, sikker og brugervenlig installation anbefaler vi altid at installere Sleipner-thrustere med intelligent strømstyring og et kontrolpanel med automatisk deaktiveringsfunktion (standard på alle Sleipner-paneler) kombineret med en automatisk hovedafbryder.