Bov- og hækthruster
SAC320 tunnel thruster Ø300mm 400V
320/280kg thrust, horizontal install
-
PRO - VARIABLE SPEED CONTROL
Et PRO™ thruster system giver dig mulighed for, udelukkende at bruge den nødvendige kraft for at fuldføre din manøvre. Den variable hastighedskontrol eliminere samtidig støjen væsentligt i forhold til on/off thrustere.
Med en dual installation (bov og hæk), får du også den praktiske hold-funktion, giver dig sæt og ret mulighed for selv at styre trykket fra thrusteren.
-
S-LINK™
S-Link™ er et CAN-baseret kontrol system som bruges til kommunikation mellem Sleipner produkter installeret i et fartøj.
- Kompakt og vandtæt stik
- Indtastet og farvekodet konnektorer for at sikre korrekt og nem installation
- Forskellige kabel længder, forlængere og T-konnektore gør systemet fleksibelt og nemt at installere
-
Q-PROP™
Q-Prop™ propellen er blevet målt til at reducere lyden med op til 75%. Den 5-bladede skew propel reducere lyd niveauet ved brug samt opretholde exceptional effektivitet. Nogle thruster modeller øger samtidig effekten.
- Den forventede lyd reduktion vil i gennemsnit være mellem 20-40%
- Upgrade kits er tilgængelige til de fleste Sleipner modeller
-
FLEXIBLE INSTALLATION
Sleipner tilbyder fleksible installationer, da pladsen ofte er trang. Vores thruster modeller tillader installation i en hvilken som helst vinkel på tunnelen, så den altid kan installeres i den plads der er til rådighed I båden.
-
GALVANIC SEPARATION
Nedsænkede dele som er udsat for havvand er galvanisk isoleret fra det ombordværende elektriske system, for at eliminere elektriske strømninger.
-
SEALED DRIVE LUBRICATION
Thrusterens gearleg er pre-filled for livsvarig smøring og forseglet ved brug af en langtidsholbar mekanisk pakning med keramisk og kulfiber overflade for ultimativ sikkerhed mod vandindtrængen.
-
FLEXIBLE COUPLING
Den fleksible kobling beskytter produktes drivaksel mod kompensationer for forskydning mellem drivstang fra motorenhed og gearleg.
-
TWIN COUNTER-ROTATING PROPELLERS
Modsat roterende propeller giver den kraftigste tryk for en god præstation i et minimal tunnel diameter. Dette system er brugt i vores større thrustere med maximum kraft. Vores modsat roterende propel systemer er fortrukket af ledende bådebyggere i luksus yachts.
Varenummer: SAC320/300-I-4-H
SAC320 er en pålidelig thruster med 320 kg trykkraft. Kan monteres som bov- og hækpropel og køre kontinuerligt uden behov for nedetid.
Enheden er tilpasset til horisontal montering og er velegnet til både mellem 55-100 fod/ 17-31 meter.
Et ideelt valg til tungere brug, for eksempel i kommercielle eller industrielle miljøer, hvor båden ofte er i konstant drift.
Fjernbetjening er et populært tilbehør. Se nogle af de vigtige produkt- og sikkerhedsfunktioner nedenfor.
Sleipners AC-thrustere giver dig fordelen ved en ubegrænset køretid, og aktiverer tungere brug. Hvert system er specialbygget i forhold til din båds specifikke arbejdsforhold og specifikationer.
Præcis kontrol
Sleipners AC-thruster-systemer er præcist matchet med generatorens kapacitet for at maksimere den trykkraft, du får fra systemet.
Hver AC-motor er styret via en Variable Frequency Drive (VFD) for at minimere opstartsbelastninger på strømsystemet og muliggøre præcis styring af thrusteren med variabel hastighedskontrol. Ingen videre opsætning af VDF er påkrævet. PDC-301-drevets controller er konfigureret fra kontrolpanelet.
En Electromagnetic Compatibility (EMC) er også inkluderet for at reducere feedback-støj på fartøjets strømsystem. I specifikke tilfælde hvor sensitivt elektronisk udstyr er i brug, er Low Harmonic Distortion-VFD‹er tilgængelige.
Plug & Play installation
Det innovative S-Link™-kontrolsystem sørger for hurtig og problemfri installation og giver dig en unik mulighed for at kombinere hydrauliske og AC-thrustere i et enkelt kontrolmiljø.
Alle Sleipners AC-systemer kan blandes og matches med hydrauliske og 12/24V PRO™ systemer med problemfri integration.
S-Link™ tilbyder fuld intelligent kommunikation mellem alle enheder i systemet, såvel som et computernetværk.
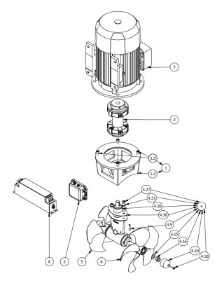
Sæt klar til at installere
AC-thrustere leveres som et fuldstændigt sæt, der er klar til at installere, inklusiv de følgende dele:
- PDC-301-drevets controller
- Variable Frequency Drive
- Gearleg med propeller og beslag
- Fleksibel kobling
- AC-motor
- EMC-filter
Systemoversigt

Low Harmonic Distortion VFD
Et system med en standard VFD vil skabe en vis grad af forvrængning til AC-netværket. Den reelle THD (Total Harmonic Distortion) i et system vil variere afhængigt af andre belastninger, tilgængelig generatorkapacitet, samlet generatorkapacitet osv.
Udover standard VFD‹erne kan vi levere lavharmoniske VFD'er til installationer med specifikke THD-krav.
Sleipner-systemer med en lavharmonisk VFD vil reducere den harmoniske forvrængning til mindre end 5%, hvilket vil give de følgende fordele:
- Hold det elektriske netværk rent
- Reducér risikoen for forstyrrelse
- Forebyg skader på andet udstyr
- Forebyg interferens med kommuikationsudstyr
- Reduceret behov for overdimensionering af generatorerne
PDC-301-driftskontrol
Med den nye PDC-301-driftskontrol er installationen forenklet:
- Kommunikation med VFD af Modbus-forbindelse
- Inkluderet 3-lederkabel til tilslutning med VFD Modbus-terminaler
- Forbedret overvågning og diagnostik forenkler idriftsættelse og fejlfinding af datalogning i realtid samt aflæsning af historikfejl.
- Firmware-opgradering igennem S-Link™
-
A legacy that commits
We’ve lived and worked with the unruly sea for a hundred years. That’s why we develop important features that enables a boat to handle the sea better – that enable you to enjoy your boat, at anchor and at full speed. That is why you wanted a boat, isn’t it?
-
Beautiful engineering
The technology in our solutions is world-class. We know, because we’ve developed it ourselves, just as we manufacture every solution, and follow them until their fixed to a hull, ourselves. This meticulous attention to detail is why your day out always will be better with a Sleipner aboard.
-
Worldwide service
We take pride in our solutions’ function throughout their lifespan. So, we never really let them out of sight, even when they’ve left for distant shores. Our global network is there to ensure continuous optimal function. You know what you get with a Sleipner, today and tomorrow.